İletişime Geç
Menü

5 Eksen Cnc Usb Kontrol Kartı Mach3 Kart Green

Yorum Yap
Yorumlar (13)
4.9 Ortalama Puan
  • 5
    12
  • 4
    1
  • 3
    0
  • 2
    0
  • 1
    0
Ürün Kodu : 8791453264577
Stokta Yok
4.028,40 TL
%53 İndirim
1.566,60 TL + KDV
1.879,92 TL Kdv Dahil
%53 İndirim
Beğen

Tükendi

Gelince Haber Ver
Listeye Ekle Yorum Yap Fiyat Alarmı
256-bit SSL & 3D Secure PCI-DSS uyumlu ödeme Aynı gün kargo* Kaskolu gönderim E-Fatura / E-Arşiv 14 gün iade / değişim Resmî firma • Vergi levhası KVKK & Gizlilik Politikası Stoktan hızlı teslim Teknik destek & garanti
Ürün Açıklaması
Mhz
100 Khz
Eksen Sayısı
5

5 Eksen Cnc Usb Kontrol Kartı Mach3 Kart Green

ENDÜSTRİYEL OTOMASYON PARÇALARI | Üstün Performans Serisi

Ürün Hakkında Detaylı İnceleme

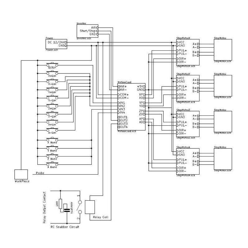
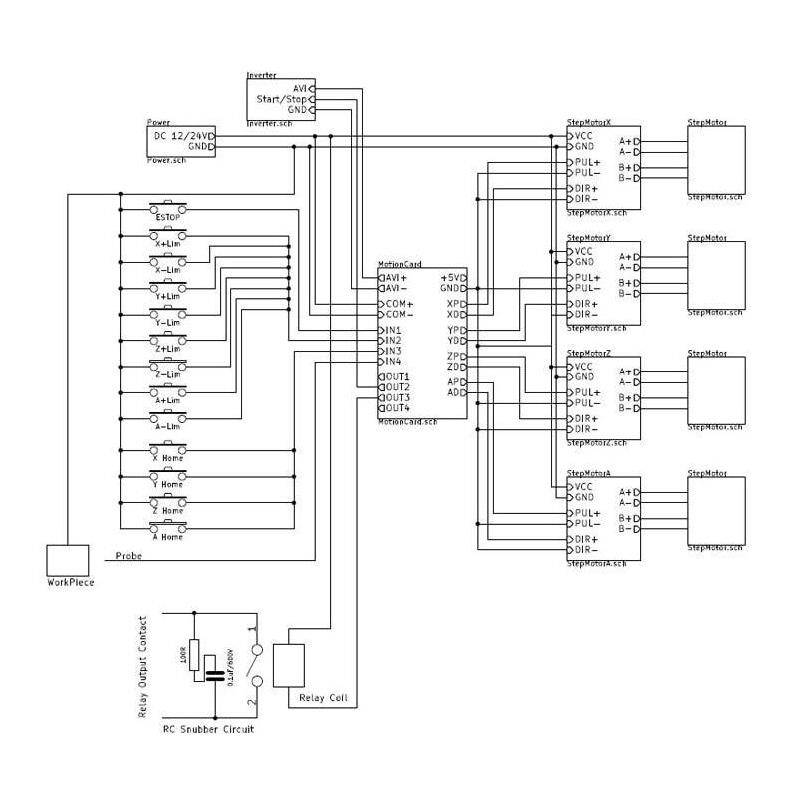
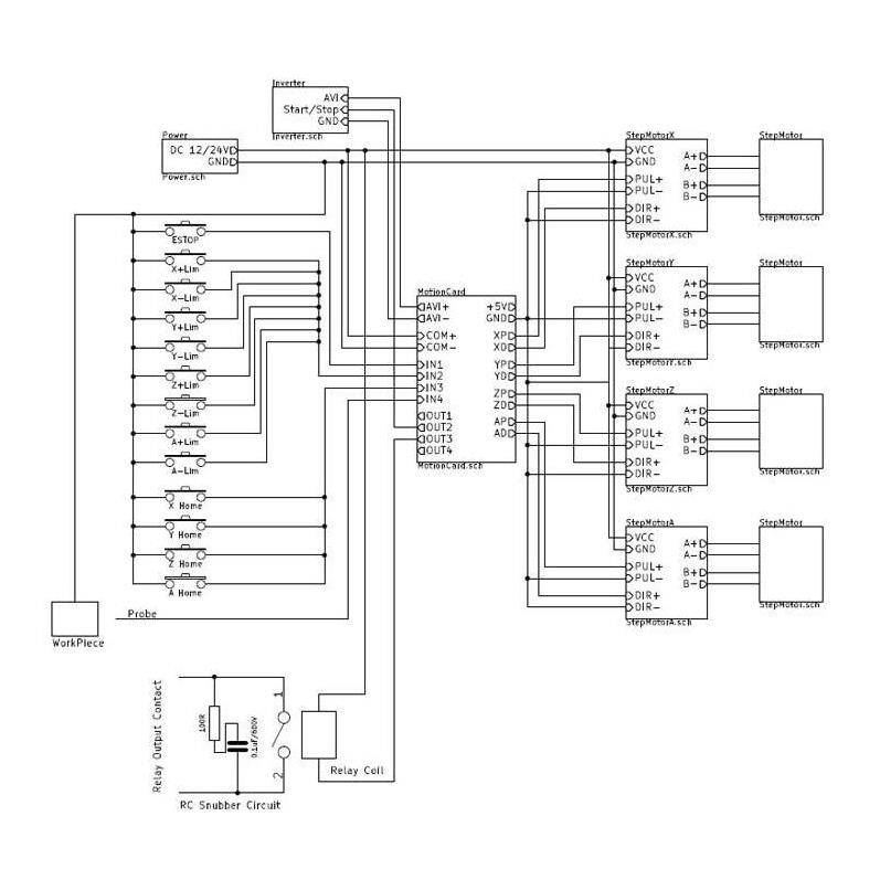
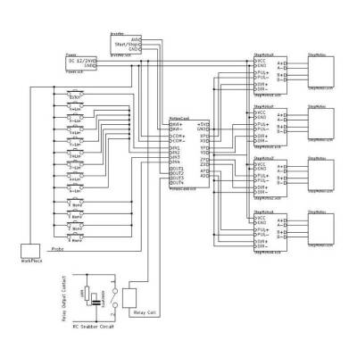
Mermak CNC'nin yüksek performanslı 5 Eksen Mach3 Kontrol Kartı, endüstriyel otomasyon ve CNC işleme uygulamaları için tasarlanmış, güvenilir ve hassas bir kontrol çözümüdür. Bu kart, Mach3 yazılımı ile tam entegrasyon sağlayarak, karmaşık hareket kontrol algoritmalarını sorunsuz bir şekilde yönetir. Özellikle yüksek hassasiyet gerektiren freze, oyma, kesim ve konumlandırma işlemlerinde 5 eksene kadar eş zamanlı kontrol imkanı sunarak, işleme süreçlerinizde üstün doğruluk ve tekrarlanabilirlik sağlar. 100 KHz darbe çıkış frekansı sayesinde, step motorlarınızın akıcı ve titreşimsiz çalışmasını temin eder, bu da yüzey kalitesini artırır ve mekanik stresleri minimize eder.

Endüstriyel ortamların zorlu koşullarına dayanacak şekilde tasarlanan bu kontrol kartı, 12-24V geniş DC besleme aralığı ile stabil bir çalışma performansı sunar. Bilgisayar bağlantısı DB35 paralel port üzerinden sağlanırken, kartın kendi güç beslemesi USB portu aracılığıyla gerçekleştirilir, bu da kurulum esnekliği ve kolaylığı sunar. X, Y, Z limit anahtarları, acil durdurma ve diğer fonksiyonel giriş/çıkış (I/O) pinleri sayesinde, sistem güvenliği ve otomasyon senaryoları eksiksiz bir şekilde yapılandırılabilir. Opto-izolatörlü giriş/çıkışlar, kontrol sinyalleri ile motor sürücüleri arasındaki elektriksel paraziti en aza indirerek sistem kararlılığını artırır.

Öne Çıkan Avantajlar

  • Yüksek Hassasiyetli 5 Eksen Kontrolü: 100 KHz darbe frekansı ile her eksende milimetrik doğrulukta hareket kontrolü, karmaşık geometrilerin ve ince detayların sorunsuz işlenmesini sağlar.
  • Geniş Entegrasyon ve Bağlantı Seçenekleri: Mach3 yazılımı ile tam uyumluluk, DB35 paralel port üzerinden güvenilir PC bağlantısı ve USB üzerinden kart beslemesi ile esnek kurulum imkanı sunar.
  • Endüstriyel Sınıf Dayanıklılık: 12-24V geniş besleme gerilimi aralığı ve sağlam elektronik bileşenleri sayesinde zorlu fabrika ve atölye ortamlarında kesintisiz ve uzun ömürlü performans sağlar.
  • Zengin Giriş/Çıkış Portları: Limit anahtarları, acil durdurma, iş mili kontrolü gibi çeşitli fonksiyonlar için ayrılmış pinler, otomasyon sistemlerinin kapsamlı bir şekilde yapılandırılmasına olanak tanır.

Proje ve Teknik Destek: Bu ürünün sisteminize uyumluluğu veya doğru seçimi konusunda kararsızsanız, teknik mühendislerimizden ücretsiz destek alabilirsiniz. Hızlı Teknik Soru Sor butonu ile bize ulaşın.

Ek Bilgi ve Destek: Daha detaylı bilgi için ürün içinde bulunan "Hızlı Teknik Soru Sor" butonunu tıklayarak anında cevap alabilirsiniz. Mermak, teknik konularda her zaman yanınızdadır.

Teknik Spesifikasyonlar

Ürünün performans verileri ve fiziksel özellikleri aşağıda detaylandırılmıştır:

Teknik Parametre
Değer / Açıklama
Kontrol Edilebilir Eksen Sayısı
5 Eksen (X, Y, Z, A, B)
Maksimum Darbe Frekansı
100 KHz (Her eksen için, yüksek hızlı ve hassas hareket kontrolü sağlar)
Kontrol Yazılımı Uyumluluğu
Mach3 CNC Kontrol Yazılımı
PC Bağlantı Arayüzü
DB35 Paralel Port (Veri ve Kontrol Sinyalleri)
Kart Besleme Gerilimi
12V - 24V DC (USB port üzerinden sağlanır)
Step Motor Çıkışları
5 Adet Opto-izolatörlü çıkış (Her eksen için ayrı, motor sürücülerine doğrudan bağlantı)
Giriş Pinleri
X, Y, Z Limit Anahtarları, Acil Durdurma, Prob Girişi ve Genel Amaçlı I/O Pinleri
Çıkış Pinleri
Spindle (iş mili) kontrolü, Soğutma Pompası, Röle çıkışları ve Genel Amaçlı I/O Pinleri
Sinyal İzolasyonu
Opto-izolatörlü girişler ve çıkışlar (Endüstriyel gürültüye karşı yüksek koruma)
Uygulama Alanları
CNC Freze, Lazer, Plazma, Oyma, Otomasyon Projeleri

Endüstriyel Uygulama Alanları

Hassas CNC Frezeleme ve Oyma

Ahşap, metal, plastik ve kompozit malzemelerin işlenmesinde kullanılan 3, 4 ve 5 eksenli CNC freze ve oyma makineleri için mükemmel bir çözümdür. Kartın yüksek frekanslı darbe çıkışları, karmaşık 3D konturların ve ince detayların milimetrik doğrulukla işlenmesini sağlar, bu da kalıpçılık ve prototipleme uygulamalarında kritik bir avantaj sunar.

Lazer ve Plazma Kesim Sistemleri

Lazer kesim ve plazma kesim makinelerinde kesme kafasının hassas konumlandırılması ve hareket kontrolü için temel bir bileşendir. Yüksek tekrarlanabilirlik ve hız, temiz kesim hatları ve optimize edilmiş üretim süreçleri için elzemdir. Bu kart, kesme parametrelerinin Mach3 üzerinden hassas bir şekilde ayarlanmasına olanak tanır.

Otomatik Üretim Hatları ve Robotik

Parça konumlandırma, pick-and-place robotları ve otomatik montaj hatlarında güvenilir hareket kontrolü sağlar. Çoklu eksen kontrol yeteneği, karmaşık otomasyon senaryolarının entegrasyonunu kolaylaştırır ve üretim süreçlerinin verimliliğini artırır. Gelişmiş I/O pinleri, harici sensör ve aktüatörlerle kolay bağlantı kurar.

Operasyonel Avantajlar

Yüksek Verimlilik

100 KHz darbe frekansı ile hızlı ve akıcı motor kontrolü, işleme sürelerini kısaltır ve üretim kapasitesini artırır. Kesintisiz çalışma performansı, operatör müdahalesini minimize eder.

Uzun Kullanım Ömrü

Endüstriyel sınıf bileşenler ve dayanıklı PCB tasarımı, kartın titreşim, toz ve sıcaklık değişimleri gibi zorlu çalışma koşullarına dayanıklılığını artırır, böylece uzun vadede güvenilir operasyon garanti eder.

Kolay Entegrasyon

Mach3 yazılımı ile tam uyumluluğu, standart DB35 paralel port ve USB besleme arayüzleri sayesinde mevcut veya yeni CNC sistemlerine hızlı ve sorunsuz bir şekilde entegre edilebilir.

5 Eksen Cnc Usb Kontrol Kartı Mach3 Kart Green Hakkında Merak Edilenler ve Teknik Detaylar

5 Eksen CNC USB Kontrol Kartı Mach3 Kart Green kaç volt ile beslenmeli?

Bu kontrol kartı 12-24 volt DC besleme ile stabil bir şekilde çalışır. Stabil bir performans ve motorlarınız için yeterli gücü sağlamak adına, kartın kendi beslemesi için belirtilen aralıkta bir güç kaynağı kullanmanız ve step motor sürücüleriniz için ise ayrı bir güç kaynağı tercih etmeniz genellikle en iyi sonucu verir.

Bu kartı bilgisayara nasıl bağlarım, USB mi yoksa paralel port mu kullanılıyor?

Ürün adında da açıkça belirtildiği gibi, bu kart bir USB kontrol kartıdır ve bilgisayarınıza standart bir USB kablosu ile bağlanır. Ürün açıklamasında yer alan "DB35 paralel port bağlantısıyla" ifadesi bir yazım hatası veya eski bir bilgiye referans olabilir; lütfen bu bilgiyi dikkate almayınız. Tüm veri iletişimi USB üzerinden gerçekleşir.

Kart üzerinde 5 eksen çıkışı var, hepsini aynı anda kullanabilir miyim?

Evet, bu kart 5 eksen step motor kontrolü için tasarlanmıştır ve Mach3 yazılımı ile 5 eksenin tamamını aynı anda kontrol edebilirsiniz. Her eksen için ayrı bir step motor sürücüsü (driver) bağlamanız gerekmektedir.

100 KHz desteği ne anlama geliyor, bu benim makinemin performansı için ne ifade eder?

100 KHz, kartın her eksen için saniyede üretebileceği maksimum darbe (pulse) frekansını ifade eder. Bu, yüksek hızlı ve hassas hareketler için yeterli sinyal üretebildiği anlamına gelir. Step motor sürücüleriniz ve ayarlarınızla birleştiğinde, daha yüksek hızlarda daha pürüzsüz ve doğru eksen hareketleri elde etmenizi sağlar.

Mach3 programını bu kartla nasıl kurup ayarlayacağım, özel bir driver gerekiyor mu?

Evet, kartın bilgisayarınız tarafından tanınması ve Mach3 ile sorunsuz iletişim kurabilmesi için özel bir USB driver kurulumu gereklidir. Kurulum dosyaları ve detaylı Mach3 ayarları için ürün sayfasında bulunan "Mach3 Program Ayarları Dosyaları ve Detaylı Anlatım İçin Tıklayınız.." linkini takip ederek gerekli bilgilere ve dosyalara ulaşabilirsiniz.

5 Eksen CNC Kontrol Kartı neden aşırı ısınıyor, bu normal mi?

Normal çalışma koşullarında kontrol kartının hafifçe ısınması beklenebilir. Ancak aşırı ısınma, genellikle yetersiz havalandırma, yanlış voltaj beslemesi (özellikle belirtilen 24V üst limiti aşımı), kısa devre veya bağlı bileşenlerdeki (motor sürücüleri, kablolar) bir sorundan kaynaklanabilir. Çalışma ortamının sıcaklığını kontrol edin ve kartın üzerindeki yükü gözden geçirin. Gerekirse aktif soğutma (küçük bir fan) ekleyebilirsiniz.

Limit switch'leri ve acil stop (E-Stop) bağlantısını bu karta nasıl yaparım?

Kart üzerinde X, Y, Z eksenleri için limit pinleri bulunmaktadır. Acil stop ve diğer yardımcı fonksiyonlar (örneğin anahtarlar, prob) için de çeşitli giriş/çıkış pinleri mevcuttur. Bağlantı şeması ve Mach3 yazılımındaki pin yapılandırması için ürünle birlikte gelen detaylı kullanım kılavuzunu veya web sitemizdeki dokümanları inceleyebilirsiniz. Genellikle daha güvenli bir sistem için NC (Normally Closed) bağlantı tipi tercih edilir.

Bu kartla hangi tip step motor sürücülerini kullanabilirim, NEMA 17 veya NEMA 23 motorlara uyumlu mu?

Bu kontrol kartı, step motor sürücülerine standart darbe (pulse) ve yön (direction) sinyalleri sağlar. Bu nedenle, piyasada bulunan ve bu sinyallerle çalışan hemen hemen tüm step motor sürücüleri (örneğin TB6600, DM542, A4988 vb.) ile uyumludur. Sürücünüzün besleme voltajı ve akımına uygun olmak kaydıyla NEMA 17, NEMA 23 veya NEMA 34 gibi farklı boyutlardaki step motorları rahatlıkla kullanabilirsiniz.

Spindle (iş mili) kontrolü için kartın çıkışı var mı, hız ayarı yapabilir miyim?

Evet, kartın giriş/çıkış portları arasında spindle kontrolü için kullanılabilecek pinler mevcuttur. Mach3 yazılımı üzerinden M kodları ile spindle'ı açıp kapatabilir, ayrıca bir röle kartı veya VFD (Değişken Frekans Sürücüsü) ile entegre ederek spindle hız kontrolü yapabilirsiniz. Detaylı bağlantı ve Mach3 ayarları için kullanım kılavuzuna bakınız.

Kart arızalanırsa garanti koşulları nelerdir, tamir hizmeti alabilir miyim?

Mermak CNC olarak ürünlerimizin kalitesine güveniyoruz. Ürünümüz standart garanti koşulları altındadır. Herhangi bir arıza durumunda teknik servisimizle iletişime geçerek garanti kapsamı, tamir süreci ve olası maliyetler hakkında bilgi alabilirsiniz. Genellikle kullanıcı hatası dışındaki durumlarda garanti kapsamında destek sağlıyoruz ve mümkünse tamir hizmeti sunuyoruz.

Kartın yedek parçaları veya bağlantı kabloları gibi aksesuarları temin edebilir miyim?

Evet, kartınızla ilgili ihtiyaç duyabileceğiniz bağlantı kabloları, güç adaptörleri veya benzeri aksesuarları Mermak CNC üzerinden temin edebilirsiniz. Özel bir yedek parça ihtiyacınız olduğunda, müşteri hizmetlerimizle iletişime geçerek stok durumu ve sipariş koşulları hakkında detaylı bilgi alabilirsiniz.

Kurulum veya kullanım sırasında teknik bir sorun yaşarsam kimden destek alacağım?

Kurulum veya kullanım sırasında karşılaşacağınız her türlü teknik sorun için Mermak CNC teknik destek ekibimizle iletişime geçebilirsiniz. Uzman ekibimiz, Mach3 ayarları, bağlantı şemaları, driver sorunları veya olası arıza giderme konularında size telefon veya e-posta yoluyla yardımcı olacaktır. Ürün sayfamızdaki detaylı anlatım ve ayarlara göz atmanız da birçok sorunun cevabını içermektedir.

5 Eksen Cnc Usb Kontrol Kartı Mach3 Kart Green - 1 5 Eksen Cnc Usb Kontrol Kartı Mach3 Kart Green - 2 5 Eksen Cnc Usb Kontrol Kartı Mach3 Kart Green - 3
Ürün Açıklaması
Mhz
100 Khz
Eksen Sayısı
5

Sık Sorulan Sorular

Kargo ücretsiz mi?
2000 TL ve üzeri siparişlerde kargo ücretsizdir. Altında anlaşmalı kargo tarifesi uygulanır.
5 Eksen Cnc Usb Kontrol Kartı Mach3 Kart Green stokta var mı?
5 Eksen Cnc Usb Kontrol Kartı Mach3 Kart Green şu an stok dışı; tedarik planıyla kısa sürede temin edilir.
Kargo güvenli paketleniyor mu?
Darbe emici iç malzeme + çift oluklu kutu; gerekirse paletleme. Gönderiler sigortalı/kaskolu sevk edilir.
Fiyat güncel mi?
Bu sayfadaki 5 Eksen Cnc Usb Kontrol Kartı Mach3 Kart Green fiyatı anlık olarak günceldir.
Stok bilgisi güncel mi?
Stoklar ERP/entegrasyon ile düzenli güncellenir; ödeme adımında nihai teyit sağlanır.
Kargo zorunlu mu? Yerinizden teslim alabilir miyim?
Kargo zorunlu değildir. Ankara HAB OSB mağazamızdan randevu ile teslim alabilirsiniz.
Aynı gün kargo var mı?
Öğleden önce tamamlanan uygun siparişler çoğunlukla aynı gün kargoya verilir.
Teslimat süresi ne kadar?
Adrese ve yoğunluğa bağlı olarak genelde 1–3 iş günü.
Ödeme seçenekleri neler?
3D Secure kredi/banka kartı, havale/EFT; kurumsal müşteriye e-fatura/e-arşiv.
İade/değişim mümkün mü?
Mevzuata uygun şekilde, kullanılmamış ve eksiksiz ürünlerde iade/değişim yapılır.
Teklif/Proforma alabilir miyim?
Evet; vergi ve teslimat bilgileriyle proforma düzenlenir. WhatsApp: 0534 658 54 01
Garanti durumu nedir?
Ürün faturalı ve garantilidir; üretici/ithalatçı koşulları geçerlidir.
Fiyatlara KDV dahil mi?
Ürün sayfasında belirtilen fiyatlar +KDV olarak gösterilir.
E-fatura / e-arşiv kesiyor musunuz?
Evet. Tüm satışlar resmi fatura ile düzenlenir; e-fatura/e-arşiv desteğimiz vardır.
Toplu alım indirimi var mı?
Adet ve proje bazlı fiyatlandırma yapılır. Liste dışı iskonto için bizimle iletişime geçin.
5 Eksen Cnc Usb Kontrol Kartı Mach3 Kart Green benim makinemle uyumlu mu?
Kod/model bilgilerinizi paylaşın; teknik ekibimiz tork, voltaj, flanş/bağlantı ve sürücü uyumluluğunu teyit eder.
Teknik döküman / bağlantı şeması sağlıyor musunuz?
Mümkün olan ürünlerde PDF teknik çizim, bağlantı diyagramı ve kullanım kılavuzu paylaşılır.
Kargo takip nasıl yapılır?
Paket kargoya verildiğinde SMS/e-posta ile takip numarası gönderilir; panelinizden de görebilirsiniz.
Kısmi sevkiyat yapıyor musunuz?
Stok uygunluğuna göre ürünleri bölerek hızlı teslim için kısmi sevk yapabiliriz.
Ambar / paletli gönderim mümkün mü?
Hacimli/ ağır ürünlerde paletli ve ambar gönderimi yapılır; varış deposu ve teslim şartları birlikte planlanır.
Siparişten sonra teslim adresi değişir mi?
Kargoya teslim edilmeden önce destek ekibimizle iletişime geçerseniz güncelleyebiliriz.
Hangi illere kargo ediyorsunuz?
Aşağıdaki tüm illere 5 Eksen Cnc Usb Kontrol Kartı Mach3 Kart Green için hızlı gönderim sağlıyoruz Ortalama Kargo Ulaşma Süreleri:
  • 5 Eksen Cnc Usb Kontrol Kartı Mach3 Kart Green İstanbul (1–2 gün)
  • 5 Eksen Cnc Usb Kontrol Kartı Mach3 Kart Green Ankara (1 gün)
  • 5 Eksen Cnc Usb Kontrol Kartı Mach3 Kart Green İzmir (1–2 gün)
  • 5 Eksen Cnc Usb Kontrol Kartı Mach3 Kart Green Bursa (1–2 gün)
  • 5 Eksen Cnc Usb Kontrol Kartı Mach3 Kart Green Antalya (1–2 gün)
  • 5 Eksen Cnc Usb Kontrol Kartı Mach3 Kart Green Adana (1–2 gün)
  • 5 Eksen Cnc Usb Kontrol Kartı Mach3 Kart Green Konya (1–2 gün)
  • 5 Eksen Cnc Usb Kontrol Kartı Mach3 Kart Green Kocaeli (1–2 gün)
  • 5 Eksen Cnc Usb Kontrol Kartı Mach3 Kart Green Mersin (2 gün)
  • 5 Eksen Cnc Usb Kontrol Kartı Mach3 Kart Green Gaziantep (2–3 gün)
  • 5 Eksen Cnc Usb Kontrol Kartı Mach3 Kart Green Şanlıurfa (2–3 gün)
  • 5 Eksen Cnc Usb Kontrol Kartı Mach3 Kart Green Kayseri (1–2 gün)
  • 5 Eksen Cnc Usb Kontrol Kartı Mach3 Kart Green Diyarbakır (2–3 gün)
  • 5 Eksen Cnc Usb Kontrol Kartı Mach3 Kart Green Samsun (1–2 gün)
  • 5 Eksen Cnc Usb Kontrol Kartı Mach3 Kart Green Sakarya (1–2 gün)
  • Adıyaman (2–3 gün)
  • Afyonkarahisar (1–2 gün)
  • Ağrı (3–5 gün)
  • Aksaray (1–2 gün)
  • Amasya (2 gün)
  • Ardahan (3–5 gün)
  • Artvin (3–4 gün)
  • Aydın (1–2 gün)
  • Balıkesir (1–2 gün)
  • Bartın (2 gün)
  • Batman (3–4 gün)
  • Bayburt (3–4 gün)
  • Bilecik (1–2 gün)
  • Bingöl (3–4 gün)
  • Bitlis (3–5 gün)
  • Bolu (1–2 gün)
  • Burdur (1–2 gün)
  • Çanakkale (1–2 gün)
  • Çankırı (1–2 gün)
  • Çorum (2 gün)
  • Denizli (1–2 gün)
  • Düzce (1–2 gün)
  • Edirne (1–2 gün)
  • Elazığ (2–3 gün)
  • Erzincan (2–3 gün)
  • Erzurum (2–4 gün)
  • Eskişehir (1–2 gün)
  • Giresun (2–3 gün)
  • Gümüşhane (2–3 gün)
  • Hakkâri (3–5 gün)
  • Hatay (2–3 gün)
  • Iğdır (3–5 gün)
  • Isparta (1–2 gün)
  • Kahramanmaraş (2–3 gün)
  • Karabük (1–2 gün)
  • Karaman (1–2 gün)
  • Kars (3–4 gün)
  • Kastamonu (2 gün)
  • Kilis (2–3 gün)
  • Kırıkkale (1–2 gün)
  • Kırklareli (1–2 gün)
  • Kırşehir (1–2 gün)
  • Kütahya (1–2 gün)
  • Malatya (2–3 gün)
  • Manisa (1–2 gün)
  • Mardin (3–4 gün)
  • Muğla (1–2 gün)
  • Muş (3–4 gün)
  • Nevşehir (1–2 gün)
  • Niğde (1–2 gün)
  • Ordu (2–3 gün)
  • Osmaniye (2–3 gün)
  • Rize (2–3 gün)
  • Siirt (3–4 gün)
  • Sinop (2–3 gün)
  • Sivas (2 gün)
  • Şırnak (3–5 gün)
  • Tekirdağ (1–2 gün)
  • Tokat (2–3 gün)
  • Trabzon (2–3 gün)
  • Tunceli (3–4 gün)
  • Uşak (1–2 gün)
  • Van (3–5 gün)
  • Yalova (1–2 gün)
  • Yozgat (2 gün)
  • Zonguldak (1–2 gün)
Hangi ülkelere gönderim var?
5 Eksen Cnc Usb Kontrol Kartı Mach3 Kart Green ve benzeri ürünlerde; başta Kıbrıs, Azerbaycan ve Kosova olmak üzere düzenli gönderim yaptığımız başlıca ülkeler (tahmini teslim süresi):
  • Türkiye (1–3 gün)
  • Almanya (3–6 gün)
  • Bosna Hersek (4–7 gün)
  • Bulgaristan (3–5 gün)
  • Çekya (4–7 gün)
  • Litvanya (5–8 gün)
  • Romanya (3–5 gün)
  • Rusya Federasyonu (5–10 gün)
  • Tunus (4–8 gün)
  • Yunanistan (3–5 gün)
  • Kıbrıs (KKTC) (3–5 gün)
  • Azerbaycan (3–6 gün)
  • Kosova (4–7 gün)
  • Irak (2–5 gün)
  • Gürcistan (2–4 gün)
  • Birleşik Krallık (4–7 gün)
  • İtalya (4–7 gün)
  • Fransa (4–7 gün)
  • İspanya (4–7 gün)
  • Hollanda (4–6 gün)
  • Polonya (4–7 gün)
  • Macaristan (4–7 gün)
  • Birleşik Arap Emirlikleri (3–6 gün)
  • Suudi Arabistan (4–8 gün)
  • ABD (5–9 gün)
Gümrük evrakları (ticari fatura, çeki listesi, menşe) tarafımızdan hazırlanır. *Not:* Süreler ekspres kargo/ambar seçeneği, gümrük işlemleri ve resmî tatillere göre ±1–3 gün değişebilir.

Mermak CNC Hızlı Teknik Cevap

Detaylar yükleniyor...
Sepete Ekle
T-Soft E-Ticaret Sistemleriyle Hazırlanmıştır.