İletişime Geç
Menü

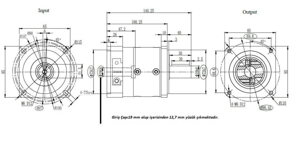
80PLF5 Planet Redüktör 1/5 (12.7 mm Mil Çaplı Step Motorlar İçin)

Yorum Yap
Yorumlar (21)
4.9 Ortalama Puan
  • 5
    19
  • 4
    2
  • 3
    0
  • 2
    0
  • 1
    0
Ürün Kodu : 80PLF5-L1-19-73-12.7
Stokta 100+ Adet Var hesaplanıyor…
7.251,12 TL
%42 İndirim
3.519,25 TL + KDV
4.223,11 TL Kdv Dahil
%42 İndirim
Beğen

Tükendi

Gelince Haber Ver
Listeye Ekle Yorum Yap Fiyat Alarmı
256-bit SSL & 3D Secure PCI-DSS uyumlu ödeme Aynı gün kargo* Kaskolu gönderim E-Fatura / E-Arşiv 14 gün iade / değişim Resmî firma • Vergi levhası KVKK & Gizlilik Politikası Stoktan hızlı teslim Teknik destek & garanti
Ürün Açıklaması
Uyumlu Motor Tipi
Step Motor
Nema Ölçüsü
Nema 34
Flanş / Gövde Ölçüsü
80 Gövde
Redüksiyon Oranı
1/5 Oran
▶ Video Galeri

80PLF5 Planet Redüktör 1/5 (12.7 mm Mil Çaplı Step Motorlar İçin) Video İçerikleri

1 video bulundu. Videoyu popup olarak izlemek için görsele tıklayın.

? 80PLF5 Planet Redüktör 1:5 | Yüksek Performans ve Verimli Güç Aktarımı | Detaylı İnceleme

80PLF5 Planet Redüktör 1/5 (12.7 mm Mil Çaplı Step Motorlar İçin)

ENDÜSTRİYEL OTOMASYON PARÇALARI | Üstün Performans Serisi

Ürün Hakkında Detaylı İnceleme

80PLF5 Planet Redüktör, endüstriyel otomasyon sistemlerinde tork artırımı ve hız düşürme gereksinimlerini karşılamak üzere tasarlanmış, yüksek hassasiyetli bir güç aktarım bileşenidir. Özellikle Nema 34 serisi step motorlarla kusursuz uyum sağlayacak şekilde optimize edilmiş olup, 1/5 oranında redüksiyon kapasitesi sunar. Bu redüktör, kritik konumlandırma ve hareket kontrol uygulamalarında, motorun tam potansiyelini kullanarak sistemin genel verimliliğini ve doğruluğunu artırmak için vazgeçilmez bir çözümdür.

Ürünün esnek giriş mil yapısı, 19mm ana çapa ek olarak, kolayca takılıp çıkarılabilen adaptör pens (burç) sayesinde 12.7mm ve 14mm mil çaplı Nema 34 motorlarla da entegrasyonu mümkün kılar. Bu adaptif tasarım, envanter çeşitliliğini azaltırken, farklı motor konfigürasyonlarına sahip projelerde maksimum uyumluluk ve kolaylık sağlar. Yüksek rijitlik, düşük boşluk (backlash) ve uzun ömürlü çalışma prensibiyle, zorlu endüstriyel ortamların gerektirdiği güvenilirliği ve performansı sunar.

Öne Çıkan Avantajlar

  • Hassas Tork Aktarımı: Düşük boşluk (backlash) değeri sayesinde yüksek konumlandırma doğruluğu ve tekrarlanabilirlik sağlar, özellikle CNC makineleri ve robotik uygulamalar için kritik bir avantajdır.
  • Geniş Motor Uyumluluğu: 19mm mil girişi ve özel adaptör pens (burç) ile 12.7mm ve 14mm mil çaplı Nema 34 step motorlarla sorunsuz entegrasyon imkanı sunar, esnek proje geliştirme olanağı tanır.
  • Yüksek Rijitlik ve Dayanıklılık: Optimize edilmiş dişli geometrisi ve ısıl işlem görmüş alaşımlı çelik kullanımı ile ağır yükler ve sürekli çalışma altında dahi uzun ömürlü ve kararlı performans garantisi verir.

Proje ve Teknik Destek: Bu ürünün sisteminize uyumluluğu veya doğru seçimi konusunda kararsızsanız, teknik mühendislerimizden ücretsiz destek alabilirsiniz. Hızlı Teknik Soru Sor butonu ile bize ulaşın.

Daha detaylı bilgi için ürün içinde bulunan Hızlı Teknik Soru Sor butonunu tıklayarak anında cevap alabilirsiniz. Mermak, teknik konularda her zaman yanınızdadır.

Teknik Spesifikasyonlar

Ürünün performans verileri ve fiziksel özellikleri aşağıda detaylandırılmıştır:

Teknik Parametre
Değer / Açıklama
Model
80PLF5
Redüksiyon Oranı
1/5
Giriş Mil Çapı (Motor Tarafı)
19 mm (12.7 mm ve 14 mm için adaptör pens dahil)
Uyumlu Motor Flanşı
80x80 mm (Nema 34 standardı)
Uyumlu Motorlar
Nema 34 Serisi Step Motorlar (12.7mm, 14mm, 19mm mil çaplı)
Boşluk (Backlash)
Düşük (< 8 arcmin tipik)
Nominal Çıkış Torku
Yüksek Tork Kapasitesi (Motor gücüne bağlı)
Maksimum Giriş Hızı
Yüksek hız uygulamalarına uygun
Verimlilik
%95 üzerinde (Tipik değer)
Koruma Sınıfı (IP)
IP54 (Toz ve su sıçramalarına karşı korumalı)
Gövde Malzemesi
Yüksek Mukavemetli Alaşımlı Çelik
Çalışma Sıcaklığı
-10°C ile +90°C
Montaj Tipi
Flanşlı Montaj

Endüstriyel Uygulama Alanları

CNC Freze ve Torna Tezgahları

Yüksek hassasiyetli işleme merkezlerinde, takım değiştirme mekanizmaları, eksen hareketleri ve pozisyonlama ünitelerinde tork artırımı ve titreşim sönümleme için idealdir. Bu sayede işleme kalitesi ve makine ömrü artırılır.

Robotik Sistemler ve Otomasyon Kolları

Endüstriyel robotların eklem hareketlerinde, paletleme ve montaj hatlarında ağır yüklerin hassas kontrolü ve yüksek tekrarlanabilirlik gerektiren uygulamalarda güvenilir güç aktarımı sağlar.

Paketleme ve Dolum Makineleri

Hızlı ve tekrarlanabilir hareket gerektiren konveyör sistemleri, ürün yerleştirme ve mühürleme ünitelerinde kullanılarak üretim verimliliğini artırır ve kesintisiz çalışma performansı sunar.

Tekstil Makineleri

İplik ve kumaş üretim süreçlerinde, gerginlik kontrolü, sarım ve hassas pozisyonlama gerektiren mekanizmalarda kararlı, titreşimsiz ve uzun ömürlü performans sağlayarak üretim kalitesini yükseltir.

Operasyonel Avantajlar

Yüksek Verimlilik

Optimize edilmiş dişli geometrisi ve düşük sürtünme katsayıları sayesinde enerji kaybını minimize eder. Bu durum, işletme maliyetlerini düşürürken, sistemin genel performansını ve çevresel sürdürülebilirliğini maksimize eder.

Uzun Kullanım Ömrü

Isıl işlem görmüş alaşımlı çelik dişliler, hassas işlenmiş yataklar ve etkili sızdırmazlık elemanları sayesinde zorlu endüstriyel koşullarda dahi minimum bakım ile yıllarca sorunsuz ve kesintisiz çalışma garantisi verir.

Kolay Entegrasyon

Endüstriyel standartlara uygun 80x80mm flanş boyutu ve çok yönlü mil adaptörleri, Nema 34 motorlarla hızlı ve kolay montaj imkanı sunar. Bu, mevcut sistemlere adaptasyonu basitleştirir ve kurulum süresini kısaltır.

80PLF5 Planet Redüktör 1/5 (12.7 mm Mil Çaplı Step Motorlar İçin) Hakkında Merak Edilenler ve Teknik Detaylar

80PLF5 redüktörümü Nema 34 motoruma nasıl bağlayabilirim, mil çapı uyumu nasıl sağlanıyor?

80PLF5 Planet Redüktör, 19mm mil giriş çapına sahiptir. Nema 34 motorunuzun mili 19mm ise doğrudan uyum sağlar. Eğer Nema 34 motorunuzun mil çapı 14mm ise, yine uyumludur. Ürünle birlikte 12.7mm mil çapına düşüren bir pens (yüzük) gelmektedir, bu sayede 12.7mm mil çaplı Nema 34 motorlarla da kolayca entegre edebilirsiniz. Montajda mil ve redüktör arasındaki hizalamaya dikkat etmek önemlidir.

Nema 34 dışındaki step motorlarla bu 80PLF5 redüktörü kullanmam mümkün mü?

Hayır, 80PLF5 Planet Redüktör özellikle Nema 34 tipi step motorlar ile yüksek hassasiyetli bir uyum sağlamak üzere tasarlanmıştır. Flanş çapı (80x80 mm) ve mil giriş çapı Nema 34 motorlara göre optimize edilmiştir. Nema 23 veya daha büyük/küçük Nema boyutlarındaki motorlarla direkt uyumlu değildir.

1/5 redüksiyon oranı tork ve hız üzerinde tam olarak ne gibi bir etki yaratır?

1/5 redüksiyon oranı, motorun çıkış torkunu 5 katına çıkarırken (verimlilik kaybı hariç), motorun çıkış hızını 5'te birine düşürür. Örneğin, 10 Nm tork üreten bir motorda, redüktör çıkışında yaklaşık 50 Nm tork elde edersiniz. Aynı şekilde, motor 1000 RPM dönüyorsa, redüktör çıkışı 200 RPM olacaktır. Bu sayede daha düşük hızlarda daha yüksek güç ve hassasiyet elde edilir.

Redüktörün 80x80mm flanşı tüm Nema 34 motorlarla fiziksel olarak uyumlu mudur?

Evet, 80PLF5 redüktörün 80x80mm flanşı, endüstri standardı Nema 34 motorların montaj delik düzeni ve flanş boyutlarıyla tam uyumludur. Bu, Nema 34 serisindeki motorların çoğunun redüktöre sorunsuz bir şekilde monte edilebileceği anlamına gelir.

Redüktörü motoruma monte ederken nelere dikkat etmeliyim ki yüksek hassasiyet bozulmasın?

Montaj sırasında en önemli husus motor mili ile redüktör giriş mili arasındaki mükemmel hizalamadır. Milin redüktör içine tam oturduğundan ve herhangi bir boşluk veya zorlama olmadığından emin olun. Bağlantı civatalarını çaprazlama ve kademeli olarak sıkın. Bu, titreşimi en aza indirerek redüktörün hassasiyetini ve ömrünü korumanıza yardımcı olur.

Redüktörüm çalışırken aşırı ısınıyor gibi hissediyorum, bu normal mi, yoksa bir sorun mu var?

Hafif ısınma, çalışma sırasında sürtünmeden kaynaklanan normal bir durumdur. Ancak aşırı ısınma (el yakacak seviyede), redüktörün aşırı yük altında çalıştığını, yanlış hizalama olduğunu veya iç mekanizmasında bir sorun olabileceğini gösterebilir. Yükünüzü kontrol edin, montajı gözden geçirin ve motor sürücüsü ayarlarınızı kontrol edin. Sorun devam ederse teknik destekle iletişime geçmenizi öneririz.

Yüksek hassasiyetli deniyor, peki bu 80PLF5 redüktör ne kadar sessiz çalışır?

Planet redüktörler, genel olarak diğer redüktör tiplerine göre daha sessiz çalışma eğilimindedir, özellikle yüksek hassasiyetli modeller. 80PLF5 modeli de bu kategoriye girer. Ancak, çalışma sesi motorun devrine, üzerindeki yüke ve montajın kalitesine göre bir miktar değişiklik gösterebilir. Düzgün monte edilmiş ve uygun yük altında çalışan bir 80PLF5, oldukça düşük bir gürültü seviyesine sahiptir.

Bu redüktörle ne kadarlık bir çıkış torku elde edebilirim, motor torkum nasıl hesaplanır?

Elde edeceğiniz çıkış torku, kullandığınız Nema 34 step motorun nominal torkuna ve redüktörün 1/5 oranına bağlıdır. Çıkış torku yaklaşık olarak (Motor Torku) x (Redüksiyon Oranı) x (Redüktör Verimliliği) şeklinde hesaplanır. Örneğin, 5 Nm torklu bir motor kullanıyorsanız, teorik olarak 5 Nm x 5 = 25 Nm çıkış torku elde edersiniz (verimlilik %90 civarı alınarak bu değer bir miktar düşebilir).

Redüktörü dikey eksende (Z ekseni) ağır yükleri kaldırmak için kullanabilir miyim?

Evet, 80PLF5 Planet Redüktör, yüksek tork kapasitesi ve sağlam yapısı sayesinde dikey eksen uygulamalarında (örneğin Z ekseni) ağır yüklerin kaldırılması ve konumlandırılması için uygundur. Ancak, maksimum radyal ve eksenel yük değerlerini aşmadığınızdan ve uygun motoru seçtiğinizden emin olmalısınız.

Ürünle gelen 12.7mm pensi çıkarıp, farklı bir mil çapına göre burç kullanabilir miyim?

Evet, ürünle birlikte gelen 12.7mm'lik pensi çıkararak, redüktörün 19mm'lik giriş miline uygun, farklı motor mil çapları için özel burçlar kullanabilirsiniz. Bu, motorunuzun mili 14mm veya başka bir ara çapta ise (Nema 34 motorlar için) esneklik sağlar. İhtiyacınıza göre ölçünüze uygun burç seçimi yapabilirsiniz.

80PLF5 planet redüktörüm periyodik bakım gerektiriyor mu, içindeki yağı değiştirmeli miyim?

80PLF5 gibi yüksek kaliteli planet redüktörler genellikle "ömür boyu yağlı" ve kapalı sistemlerdir. Bu, normal kullanım koşullarında herhangi bir periyodik yağ değişimi veya özel bakım gerektirmediği anlamına gelir. Redüktörün muhafazasını açmaya çalışmak veya yağını değiştirmek, garantiyi geçersiz kılabilir ve redüktöre zarar verebilir.

Bu redüktörün garanti süresi nedir ve olası bir arızada teknik destek alabilir miyim?

Mermak CNC olarak ürünlerimize güveniyoruz. 80PLF5 Planet Redüktör için standart garanti koşullarımız geçerlidir. Olası bir arıza durumunda veya montaj/kullanım sırasında yaşayacağınız her türlü teknik sorunda Mermak CNC teknik destek ekibimizle iletişime geçerek profesyonel yardım alabilirsiniz. Size en hızlı ve doğru çözümü sunmak için buradayız.

Eğer pens veya başka bir parça zarar görürse, yedek parça temini mümkün müdür?

Evet, redüktörün özel parçaları (örneğin mil adaptörü pensi/burçları) için yedek parça temini mümkündür. İhtiyaç durumunda Mermak CNC müşteri hizmetleri ile iletişime geçerek ilgili yedek parçaların stok durumu ve temin koşulları hakkında bilgi alabilirsiniz. Size yardımcı olmaktan memnuniyet duyarız.

Normal kullanım şartlarında bu redüktörden ne kadar bir kullanım ömrü beklemeliyim?

80PLF5 Planet Redüktör, yüksek kaliteli malzemeler ve hassas üretim teknikleri ile üretilmiştir. Doğru montaj, uygun yük altında çalışma ve üretici tavsiyelerine uyulduğu takdirde uzun yıllar sorunsuz bir şekilde çalışması beklenir. Ömrü, çalışma saatleri, yük profili ve çevresel koşullar gibi faktörlere bağlı olarak değişiklik gösterebilir, ancak endüstriyel standartlarda uzun bir kullanım ömrü hedeflenmiştir.

80PLF5 Planet Redüktör 1/5 (12.7 mm Mil Çaplı Step Motorlar İçin) - 1 80PLF5 Planet Redüktör 1/5 (12.7 mm Mil Çaplı Step Motorlar İçin) - 2 80PLF5 Planet Redüktör 1/5 (12.7 mm Mil Çaplı Step Motorlar İçin) - 3
Ürün Açıklaması
Uyumlu Motor Tipi
Step Motor
Nema Ölçüsü
Nema 34
Flanş / Gövde Ölçüsü
80 Gövde
Redüksiyon Oranı
1/5 Oran

Sık Sorulan Sorular

Kargo ücretsiz mi?
2000 TL ve üzeri siparişlerde kargo ücretsizdir. Altında anlaşmalı kargo tarifesi uygulanır.
80PLF5 Planet Redüktör 1/5 (12.7 mm Mil Çaplı Step Motorlar İçin) stokta var mı?
Evet, 80PLF5 Planet Redüktör 1/5 (12.7 mm Mil Çaplı Step Motorlar İçin) stoktan hızlı sevke uygundur.
Kargo güvenli paketleniyor mu?
Darbe emici iç malzeme + çift oluklu kutu; gerekirse paletleme. Gönderiler sigortalı/kaskolu sevk edilir.
Fiyat güncel mi?
Bu sayfadaki 80PLF5 Planet Redüktör 1/5 (12.7 mm Mil Çaplı Step Motorlar İçin) fiyatı anlık olarak günceldir.
Stok bilgisi güncel mi?
Stoklar ERP/entegrasyon ile düzenli güncellenir; ödeme adımında nihai teyit sağlanır.
Kargo zorunlu mu? Yerinizden teslim alabilir miyim?
Kargo zorunlu değildir. Ankara HAB OSB mağazamızdan randevu ile teslim alabilirsiniz.
Aynı gün kargo var mı?
Öğleden önce tamamlanan uygun siparişler çoğunlukla aynı gün kargoya verilir.
Teslimat süresi ne kadar?
Adrese ve yoğunluğa bağlı olarak genelde 1–3 iş günü.
Ödeme seçenekleri neler?
3D Secure kredi/banka kartı, havale/EFT; kurumsal müşteriye e-fatura/e-arşiv.
İade/değişim mümkün mü?
Mevzuata uygun şekilde, kullanılmamış ve eksiksiz ürünlerde iade/değişim yapılır.
Teklif/Proforma alabilir miyim?
Evet; vergi ve teslimat bilgileriyle proforma düzenlenir. WhatsApp: 0534 658 54 01
Garanti durumu nedir?
Ürün faturalı ve garantilidir; üretici/ithalatçı koşulları geçerlidir.
Fiyatlara KDV dahil mi?
Ürün sayfasında belirtilen fiyatlar +KDV olarak gösterilir.
E-fatura / e-arşiv kesiyor musunuz?
Evet. Tüm satışlar resmi fatura ile düzenlenir; e-fatura/e-arşiv desteğimiz vardır.
Toplu alım indirimi var mı?
Adet ve proje bazlı fiyatlandırma yapılır. Liste dışı iskonto için bizimle iletişime geçin.
80PLF5 Planet Redüktör 1/5 (12.7 mm Mil Çaplı Step Motorlar İçin) benim makinemle uyumlu mu?
Kod/model bilgilerinizi paylaşın; teknik ekibimiz tork, voltaj, flanş/bağlantı ve sürücü uyumluluğunu teyit eder.
Teknik döküman / bağlantı şeması sağlıyor musunuz?
Mümkün olan ürünlerde PDF teknik çizim, bağlantı diyagramı ve kullanım kılavuzu paylaşılır.
Kargo takip nasıl yapılır?
Paket kargoya verildiğinde SMS/e-posta ile takip numarası gönderilir; panelinizden de görebilirsiniz.
Kısmi sevkiyat yapıyor musunuz?
Stok uygunluğuna göre ürünleri bölerek hızlı teslim için kısmi sevk yapabiliriz.
Ambar / paletli gönderim mümkün mü?
Hacimli/ ağır ürünlerde paletli ve ambar gönderimi yapılır; varış deposu ve teslim şartları birlikte planlanır.
Siparişten sonra teslim adresi değişir mi?
Kargoya teslim edilmeden önce destek ekibimizle iletişime geçerseniz güncelleyebiliriz.
Hangi illere kargo ediyorsunuz?
Aşağıdaki tüm illere 80PLF5 Planet Redüktör 1/5 (12.7 mm Mil Çaplı Step Motorlar İçin) için hızlı gönderim sağlıyoruz Ortalama Kargo Ulaşma Süreleri:
  • 80PLF5 Planet Redüktör 1/5 (12.7 mm Mil Çaplı Step Motorlar İçin) İstanbul (1–2 gün)
  • 80PLF5 Planet Redüktör 1/5 (12.7 mm Mil Çaplı Step Motorlar İçin) Ankara (1 gün)
  • 80PLF5 Planet Redüktör 1/5 (12.7 mm Mil Çaplı Step Motorlar İçin) İzmir (1–2 gün)
  • 80PLF5 Planet Redüktör 1/5 (12.7 mm Mil Çaplı Step Motorlar İçin) Bursa (1–2 gün)
  • 80PLF5 Planet Redüktör 1/5 (12.7 mm Mil Çaplı Step Motorlar İçin) Antalya (1–2 gün)
  • 80PLF5 Planet Redüktör 1/5 (12.7 mm Mil Çaplı Step Motorlar İçin) Adana (1–2 gün)
  • 80PLF5 Planet Redüktör 1/5 (12.7 mm Mil Çaplı Step Motorlar İçin) Konya (1–2 gün)
  • 80PLF5 Planet Redüktör 1/5 (12.7 mm Mil Çaplı Step Motorlar İçin) Kocaeli (1–2 gün)
  • 80PLF5 Planet Redüktör 1/5 (12.7 mm Mil Çaplı Step Motorlar İçin) Mersin (2 gün)
  • 80PLF5 Planet Redüktör 1/5 (12.7 mm Mil Çaplı Step Motorlar İçin) Gaziantep (2–3 gün)
  • 80PLF5 Planet Redüktör 1/5 (12.7 mm Mil Çaplı Step Motorlar İçin) Şanlıurfa (2–3 gün)
  • 80PLF5 Planet Redüktör 1/5 (12.7 mm Mil Çaplı Step Motorlar İçin) Kayseri (1–2 gün)
  • 80PLF5 Planet Redüktör 1/5 (12.7 mm Mil Çaplı Step Motorlar İçin) Diyarbakır (2–3 gün)
  • 80PLF5 Planet Redüktör 1/5 (12.7 mm Mil Çaplı Step Motorlar İçin) Samsun (1–2 gün)
  • 80PLF5 Planet Redüktör 1/5 (12.7 mm Mil Çaplı Step Motorlar İçin) Sakarya (1–2 gün)
  • Adıyaman (2–3 gün)
  • Afyonkarahisar (1–2 gün)
  • Ağrı (3–5 gün)
  • Aksaray (1–2 gün)
  • Amasya (2 gün)
  • Ardahan (3–5 gün)
  • Artvin (3–4 gün)
  • Aydın (1–2 gün)
  • Balıkesir (1–2 gün)
  • Bartın (2 gün)
  • Batman (3–4 gün)
  • Bayburt (3–4 gün)
  • Bilecik (1–2 gün)
  • Bingöl (3–4 gün)
  • Bitlis (3–5 gün)
  • Bolu (1–2 gün)
  • Burdur (1–2 gün)
  • Çanakkale (1–2 gün)
  • Çankırı (1–2 gün)
  • Çorum (2 gün)
  • Denizli (1–2 gün)
  • Düzce (1–2 gün)
  • Edirne (1–2 gün)
  • Elazığ (2–3 gün)
  • Erzincan (2–3 gün)
  • Erzurum (2–4 gün)
  • Eskişehir (1–2 gün)
  • Giresun (2–3 gün)
  • Gümüşhane (2–3 gün)
  • Hakkâri (3–5 gün)
  • Hatay (2–3 gün)
  • Iğdır (3–5 gün)
  • Isparta (1–2 gün)
  • Kahramanmaraş (2–3 gün)
  • Karabük (1–2 gün)
  • Karaman (1–2 gün)
  • Kars (3–4 gün)
  • Kastamonu (2 gün)
  • Kilis (2–3 gün)
  • Kırıkkale (1–2 gün)
  • Kırklareli (1–2 gün)
  • Kırşehir (1–2 gün)
  • Kütahya (1–2 gün)
  • Malatya (2–3 gün)
  • Manisa (1–2 gün)
  • Mardin (3–4 gün)
  • Muğla (1–2 gün)
  • Muş (3–4 gün)
  • Nevşehir (1–2 gün)
  • Niğde (1–2 gün)
  • Ordu (2–3 gün)
  • Osmaniye (2–3 gün)
  • Rize (2–3 gün)
  • Siirt (3–4 gün)
  • Sinop (2–3 gün)
  • Sivas (2 gün)
  • Şırnak (3–5 gün)
  • Tekirdağ (1–2 gün)
  • Tokat (2–3 gün)
  • Trabzon (2–3 gün)
  • Tunceli (3–4 gün)
  • Uşak (1–2 gün)
  • Van (3–5 gün)
  • Yalova (1–2 gün)
  • Yozgat (2 gün)
  • Zonguldak (1–2 gün)
Hangi ülkelere gönderim var?
80PLF5 Planet Redüktör 1/5 (12.7 mm Mil Çaplı Step Motorlar İçin) ve benzeri ürünlerde; başta Kıbrıs, Azerbaycan ve Kosova olmak üzere düzenli gönderim yaptığımız başlıca ülkeler (tahmini teslim süresi):
  • Türkiye (1–3 gün)
  • Almanya (3–6 gün)
  • Bosna Hersek (4–7 gün)
  • Bulgaristan (3–5 gün)
  • Çekya (4–7 gün)
  • Litvanya (5–8 gün)
  • Romanya (3–5 gün)
  • Rusya Federasyonu (5–10 gün)
  • Tunus (4–8 gün)
  • Yunanistan (3–5 gün)
  • Kıbrıs (KKTC) (3–5 gün)
  • Azerbaycan (3–6 gün)
  • Kosova (4–7 gün)
  • Irak (2–5 gün)
  • Gürcistan (2–4 gün)
  • Birleşik Krallık (4–7 gün)
  • İtalya (4–7 gün)
  • Fransa (4–7 gün)
  • İspanya (4–7 gün)
  • Hollanda (4–6 gün)
  • Polonya (4–7 gün)
  • Macaristan (4–7 gün)
  • Birleşik Arap Emirlikleri (3–6 gün)
  • Suudi Arabistan (4–8 gün)
  • ABD (5–9 gün)
Gümrük evrakları (ticari fatura, çeki listesi, menşe) tarafımızdan hazırlanır. *Not:* Süreler ekspres kargo/ambar seçeneği, gümrük işlemleri ve resmî tatillere göre ±1–3 gün değişebilir.

Mermak CNC Hızlı Teknik Cevap

Detaylar yükleniyor...
Sepete Ekle
T-Soft E-Ticaret Sistemleriyle Hazırlanmıştır.